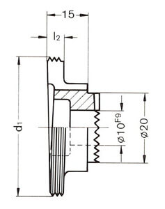
Aussengewinde-Strehler
Mit Stirnverzahnung
(mehrzahnig auf Steigung geschliffen)
![]() |
Für Metrisches ISO-Gewinde
Für Withwoth- und Rohrgewinde
| Größe | d1 |
| 1 | 30 |
| 2 | 40 |
| 3 | 50 |
|
l2 Anzahl der Gewindezähne in Abhängigkeit von der Steigung |
|
Bestellbeispiel:
| Außengewinde-Strehler | -2 | -M2 links | -HSS-E |
| Form | Größe |
Steigung und Steigungsrichtung des zu strehlenden Gewindes |
Werkstoff |

