Aussengewinde-Scheibenstrehler
(2-Zahn-Rillenstrehler)
|
Für Metrisches ISO-Gewinde Spanwinkel = 12° |
![]() |
Ausführung für Index 12-18-25/24-36-52
Größe 1, 2, 3
Ausführung für Index B30 - B42 - B60 - B60F
Größe 4, 5, 6
Für Metrisches ISO-Gewinde
Für Withwoth- und Rohrgewinde
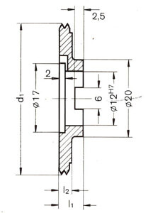
| Größe | d1 | l1 |
| 1 | 42 |
8 |
| 2 | 42 | 12 |
| 3 | 42 | 15 |
| 4 | 52 | 8 |
| 5 | 52 | 12 |
| 6 | 52 | 15 |
|
l2 hängt von der gewählten Gewinde-Steigung und Gewinde-Art ab |
||
Bestellbeispiel:
| Außengewinde-Scheibenstrehler | -1 | -M1.25 | -HSS-E |
| Form | Größe |
Steigung des zu strehlenden Gewindes |
Werkstoff |

